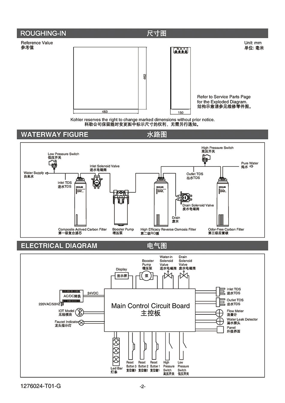
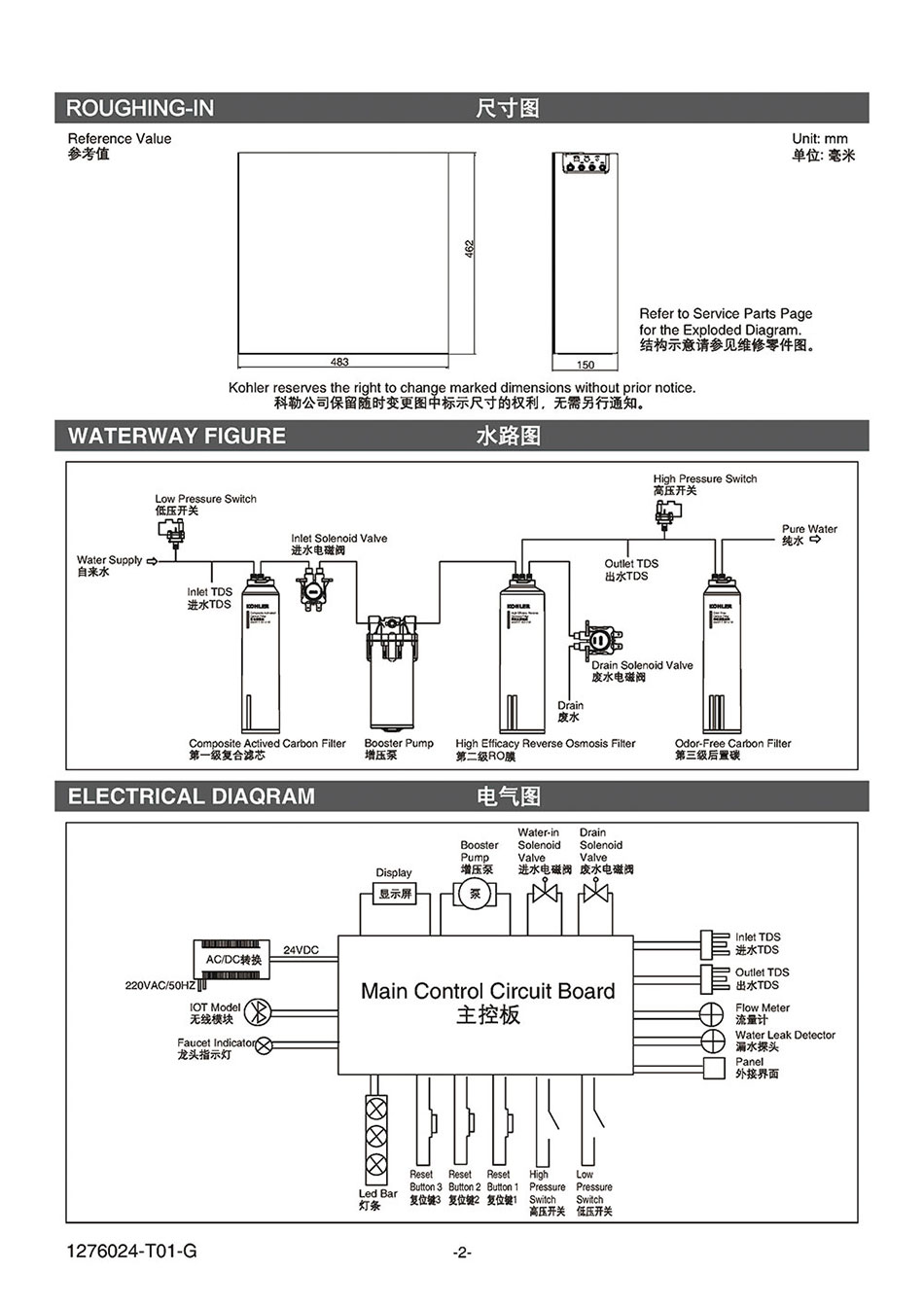
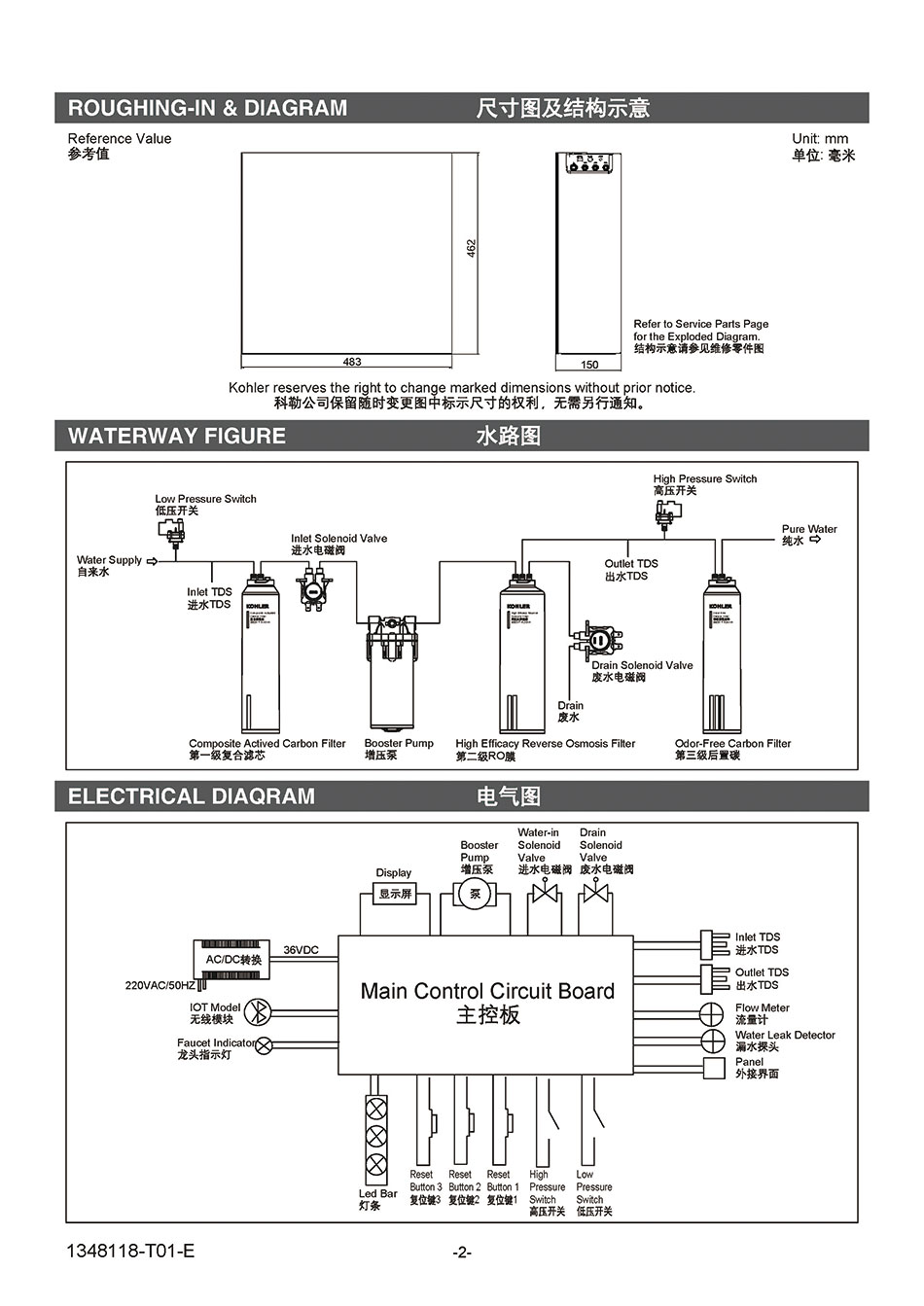
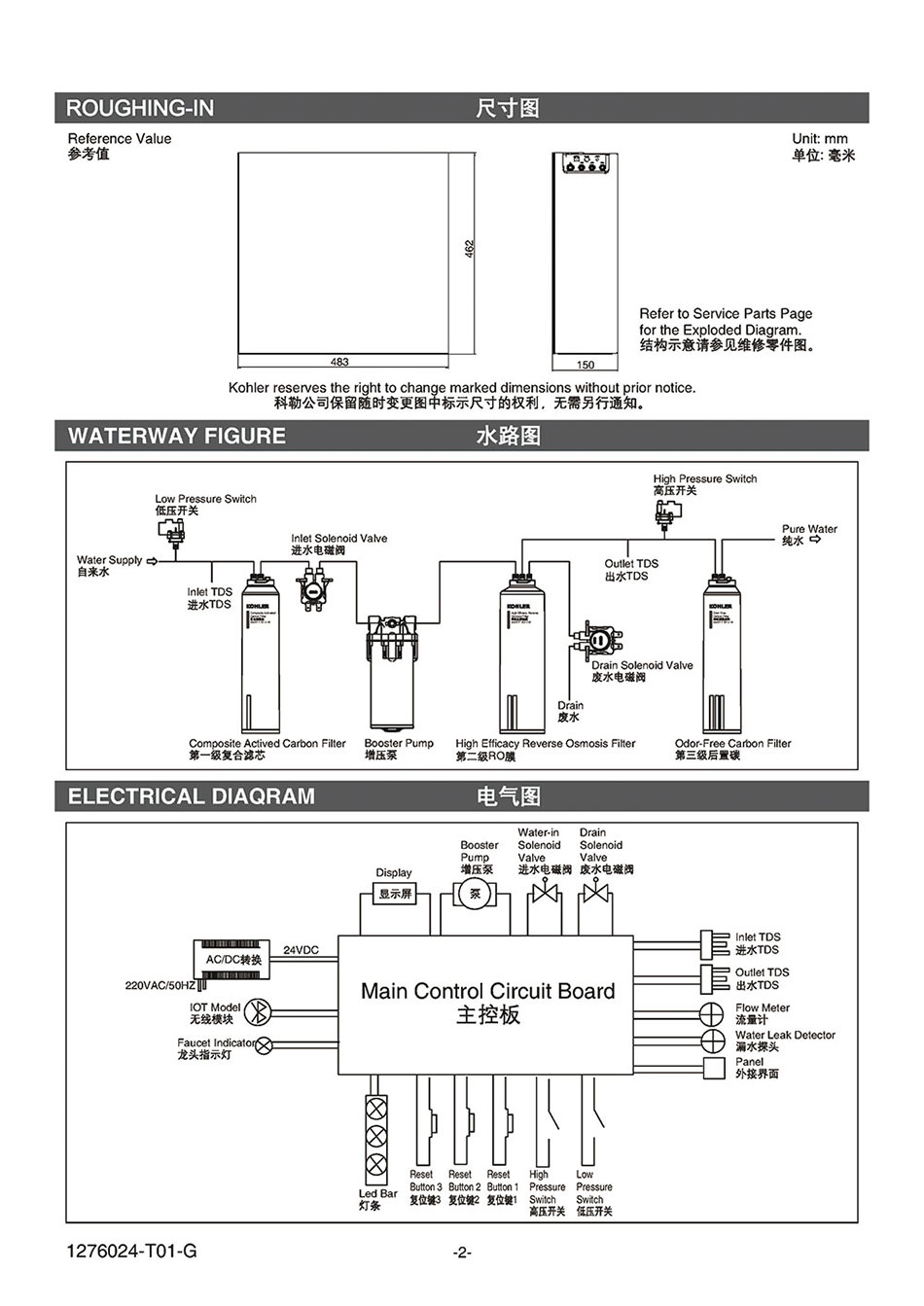
产品说明书
可瑞芙 厨房反渗透净饮机-600G
可瑞芙 厨房反渗透净饮机KPC50-500G
可瑞芙 厨房反渗透净饮机KPL50-500G
可瑞芙 厨房反渗透净饮机-500G
可瑞芙 厨房反渗透净饮机KPC40-400G
可瑞芙 厨房反渗透净饮机KPL40-400G
可瑞芙 厨房反渗透净饮机KPD40-400G
可瑞芙 厨房反渗透净饮机-云智能版 400G
可瑞芙 厨房反渗透净饮机-400G
正在生成